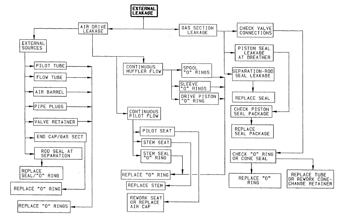
See attached documents for troubleshooting information for gas boosters offered by Fluke Calibration (formerly DH Instruments).
Models GB-H-70M, GB-H-100M, GB-152-AF, GB-K, and GBK-110M use the AG-152 booster.
Model GB-75 and GBK-50M uses the AG-75 booster.
Fluke Calibration recommends that our model GB gas boosters be repaired at our Authorized Service Centers. For a RMA number or other service information contact Fluke Calibration Service by email at FCAL Service or phone at 1.877.355.3225
Contact Fluke Calibration Pressure Technical Support at Pressure Technical Support or at the same phone number 1.877.355.3225
| GB Repair Parts from Haskel | Notes |
| 17329 Air Valve Seal Kit-AG | |
| 51545-2 Air Drive Seal Kit | |
| 17325 Seal Kit - Check Valves | Goes inside high pressure inlet fitting. Need tool 15575 to install |
| 55031-75 Seal Kit - Gas Piston Gas Booster | |
| 28584 Haskel Pump Repair Tool | |
| 15575 Assembly Tool | Needed to remove seat 54067 at high pressure gas inlet and outlet ports (check valves are in here along with some springs, seals, back-up rings, etc.) |
Fluke Calibration does not sell repair parts or tools for Haskel boosters. Repair parts can be purchased from Semitorr and perhaps others.
